| 产品标题:3A220-08,3A220,阀-气动阀 产品ID:VIB20120522221235734 品 牌:CKT 西克迪 所在地:中国 上海 价 格:面议 (大量采购价格面议) 库存状态:货期待查 更新日期:2025-4-24 5:57:48 咨询电话:(+86)021-51699285 咨询Q Q: 2695337323 |
3A220-08,3A220,阀-气动阀
产品简介:
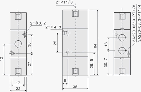
订购代码
规格
|
型 号 |
3A220-06 |
3A220-08 |
|
工作介质 |
空气(经40微米虑网过滤) | |
|
作动方式 |
外部控制 | |
|
工作温度 |
-5~60℃ | |
|
出风口直径 |
1.2mm | |
|
使用压力范围 |
0~8.0Kgf/cm2 | |

